heavy-duty framing stud for headers, jambs, posts and built-up tube truss chords and webs
The superior strength and carrying capacity of the HDS means higher performance with fewer members.
The Heavy-Duty Stud (HDS®) Framing System
The Heavy-Duty Stud (HDS®) Framing System is a high-performance, cost effective, multi-purpose, heavy-duty framing stud for headers, jambs, posts and built-up tube truss chords and webs. The superior strength and carrying capacity of the HDS means higher performance with fewer members. It means eliminating box beam headers, nesting track and stud for posts and jambs and also for eliminating multi-member, built-up truss chords and webs. It also means improved finish quality by eliminating excessive material and screw head buildup at connection points.
Applications
- Curtain-wall headers, jambs and sills
- Drywall headers and jambs
- Load-bearing jambs
- Trusses
- Shearwall posts
- Heavily loaded or tall wall studs
- Any other application involving nested stud and track
Benefits
- Outstanding bending strength in two directions
- Reduces installation time by 50%
- Eliminates box beam header assembly
- Reduces material and labor costs up to 50%
- HDS® can be screw-attached from either side
- Eliminates stud-to-track nesting for post, header and jamb studs
- Openings up to 15' wide
- Eliminates multimember built-up truss chords and webs
- Eliminates excessive bridging for load-bearing walls and posts
- Improves drywall finishing around doors and windows since there is no screw head buildup
- Superior axial strength
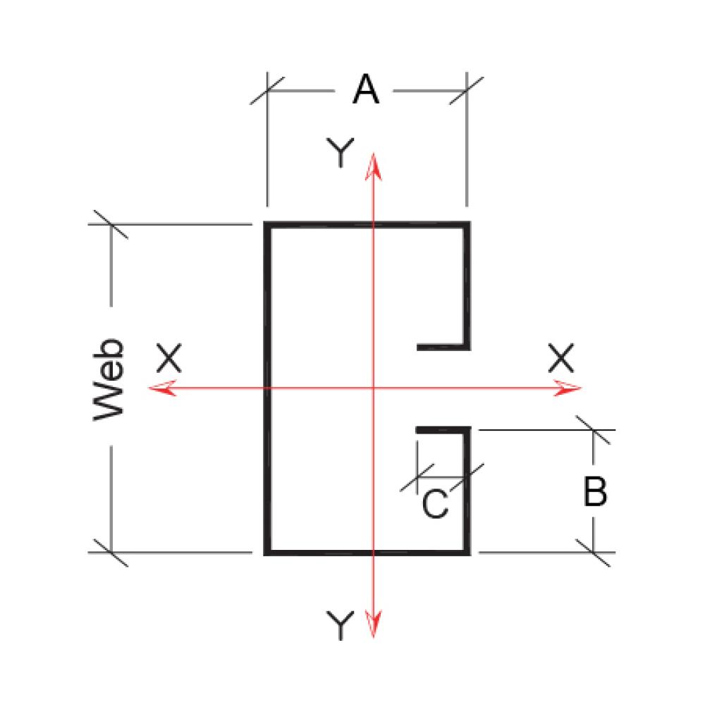
HDS® HEAVY DUTY STUD PROFILE INFORMATION
| Product Code | Web Size (A) |
Flange (B) |
Return Lip (C) |
Stiffening Lip (D) |
Mils (ga) | Fy |
|---|---|---|---|---|---|---|
| 362HDS300-33 | 3.625" | 3" | 1.0625" | 0.75" | 33 (20) | 33 |
| 362HDS300-43 | 3.625" | 3" | 1.0625" | 0.75" | 43 (18) | 33 |
| 362HDS300-54 | 3.625" | 3" | 1.0625" | 0.75" | 54 (16) | 50 |
| 362HDS300-68 | 3.625" | 3" | 1.0625" | 0.75" | 68 (14) | 50 |
| 362HDS300-97 | 3.625" | 3" | 1.0625" | 0.75" | 97 (12) | 50 |
| 400HDS300-33 | 4" | 3" | 1.0625" | 0.75" | 33 (20) | 33 |
| 400HDS300-43 | 4" | 3" | 1.0625" | 0.75" | 43 (18) | 33 |
| 400HDS300-54 | 4" | 3" | 1.0625" | 0.75" | 54 (16) | 50 |
| 400HDS300-68 | 4" | 3" | 1.0625" | 0.75" | 68 (14) | 50 |
| 400HDS300-97 | 4" | 3" | 1.0625" | 0.75" | 97 (12) | 50 |
| 600HDS300-33 | 6" | 3" | 2.25" | 0.75" | 33 (20) | 33 |
| 600HDS300-43 | 6" | 3" | 2.25" | 0.75" | 43 (18) | 33 |
| 600HDS300-54 | 6" | 3" | 2.25" | 0.75" | 54 (16) | 50 |
| 600HDS300-68 | 6" | 3" | 2.25" | 0.75" | 68 (14) | 50 |
| 600HDS300-97 | 6" | 3" | 2.25" | 0.75" | 97 (12) | 50 |
| 800HDS300-33 |
8" |
3" | 2.25" | 0.75" | 33 (20) | 33 |
| 800HDS300-43 | 8" | 3" | 2.25" | 0.75" | 43 (18) | 33 |
| 800HDS300-54 | 8" | 3" | 2.25" | 0.75" | 54 (16) | 50 |
| 800HDS300-68 | 8" | 3" | 2.25" | 0.75" | 68 (14) | 50 |
| 800HDS300-97 | 8" | 3" | 2.25" | 0.75" | 97 (12) | 50 |
All material CP60 (G90 available)
*All profiles are unpunched. (Punched studs available upon request)
HDSC Header Bracket (HDSC)
The perfect complement to the RedHeader PRO™ and HDS® Framing system. This simple, yet innovative header bracket turns curtain-wall header installation from a two-person job into a one-person job. This unique, pre-punched clip also eliminates surface head fastener buildup that can create finishing challenges.
Visit the HDSC Header Bracket Product Page For more infomation
Header Cripple Stud Clip
Why use a Cripple Stud Clip with the RedHeader Pro or HDS System?
- Eliminates the header track material and is a more economical alternative
- Extra long return legs on RedHeader PRO or HDS allows for ease of attachment
- Top of header is open, allowing for easy install of the insulation. No need to "pre-insulate" headers prior to installation
Visit the Header Cripple Stud Clip Product Page For more infomation
Limiting Heights
Forget Using Complex Tables
Multiple tables (Header, Jamb and Header Clip Tables) for Opening Systems need to be cross referenced and are limited to keep them simplified.
Try the ClarkDietrich iTools Opening Framing Lookup Tool
- Interactive user filters for opening type and design requirements
- Checks systems that work together as required by design
- Creates a Design & Submittal Package
If you would like for our Tech Team to help with choosing the right HDS Framing System, submit an Opening Framing Sizing Webform to ClarkDietrich Technical Services.
Ordering Information
Header lengths should be ordered 1/2" shorter than opening width to fit inside clips. (Header Length = Inside of Jamb to Inside of Jamb Minus 1/2").
Documents
Code Approvals & Performance Standards
- AISI S100-16 (2020) w/S2-20 North American Specification for the Design of Cold-Formed Steel Structural Members
- AISI S240-20 North American Standard for Cold-Formed Steel Structural Framing
- (Compliant to ASTM C955 , but IBC replaced with AISI S200 in IBC 2015, AISI S240 in IBC 2018)
- Section A3 Material - Chemical & mechanical requirements (Referencing ASTM A1003/A1003M)
- Section A4 Corrosion Protection (Referencing ASTM A653/A653M)
- Section C Installation - (Referencing ASTM C1007)
- IBC 2021 International Building Code
- IAPMO ER-0723 Evaluation Report for HDS and RedHeader Pro
- SDS For ASTM A1003 Steel Framing Products For Interior Framing, Exterior Framing and Clips/Accessories
ClarkDietrich SubmittalPro®
The Fastest way to find product information
Submittal sheets for the exact product you're looking for can be created by using ClarkDietrich's SubmittalPro® Product Submittal System.
Most common HDS submittals can be found below:
| Size / Thickness | Header or Jamb Stud |
|---|---|
| 3-5/8" 33mils (20ga) 33ksi | 362HDS300-33 |
| 6" 33mils (20ga) 33ksi | 600HDS300-33 |
| 3-5/8" 54mils (16ga) 50ksi | 362HDS300-54 |
| 6" 54mils (16ga) 50ksi | 600HDS300-54 |
- Contact ClarkDietrich Technical Services at 888-437-3244 for any questions about creating product submittals or using SubmittalPro.